
Heizungsunterkasten gesucht
- Hans Müller-Daum
- Autor
- Abwesend
- Platinum Mitglied
-

BFV Mitglied
Weniger
Mehr
- Beiträge: 1651
- Dank erhalten: 192
4 Jahre 10 Monate her #4457
von Hans Müller-Daum
Glückauf aus Duisburg
Hans Müller-Daum
Heizungsunterkasten gesucht wurde erstellt von Hans Müller-Daum
Hallo Leute,
ich bin auf der Suche nach Heizungsunterkästen die vorne UND hinten Klappen haben. Dafür sollen dann keine Klappen im Wärmetauscher sein.Zur Not reicht auch ein rechter Unterkasten mit nur einer Klappe.
Gruß
Hans Müller-Daum
ich bin auf der Suche nach Heizungsunterkästen die vorne UND hinten Klappen haben. Dafür sollen dann keine Klappen im Wärmetauscher sein.Zur Not reicht auch ein rechter Unterkasten mit nur einer Klappe.
Gruß
Hans Müller-Daum
Glückauf aus Duisburg
Hans Müller-Daum
Bitte Anmelden oder Registrieren um der Konversation beizutreten.
- Cabrio55
-
- Online
- Platinum Mitglied
-

BFV Mitglied
Weniger
Mehr
- Beiträge: 1293
- Dank erhalten: 318
4 Jahre 10 Monate her #4459
von Cabrio55
Cabrio55 antwortete auf Heizungsunterkasten gesucht
Frohes neues Jahr Hans,
leider habe ich nicht den gesuchten Kasten, ich habe noch nicht einmal eine Vorstellung, wie der ausgesehen hat. Kannst Du daher vielleicht hier ein Bild einstellen?
Gruß
Jens
leider habe ich nicht den gesuchten Kasten, ich habe noch nicht einmal eine Vorstellung, wie der ausgesehen hat. Kannst Du daher vielleicht hier ein Bild einstellen?
Gruß
Jens
Bitte Anmelden oder Registrieren um der Konversation beizutreten.
- Hans Müller-Daum
- Autor
- Abwesend
- Platinum Mitglied
-

BFV Mitglied
Weniger
Mehr
- Beiträge: 1651
- Dank erhalten: 192
4 Jahre 10 Monate her #4460
von Hans Müller-Daum
Glückauf aus Duisburg
Hans Müller-Daum
Hans Müller-Daum antwortete auf Heizungsunterkasten gesucht
Hallo Jens,
das ist schwierig.
Ich kann soweit ich das kenne kein Bild aus unseren Ersatzteilkatalogen herunterladen und hier wieder einstellen.
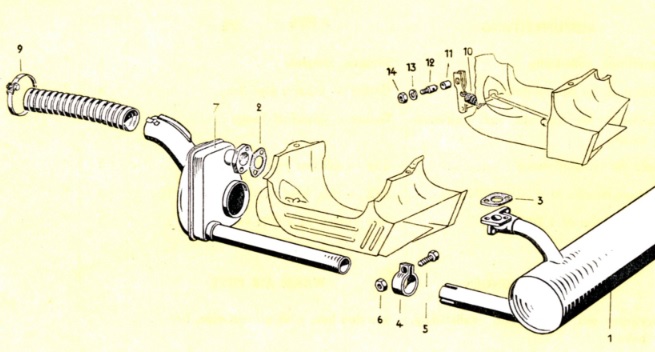
Im Ersatzteilkatalog von 5.49 ET 418 Kraftstoffbehälter Auspuff Warmluftleitung Bildtafel 10 sind Wärmetauscher und Warmluftführungsunterteil zusammen abgebildet.
In ET 417 Motor ist das Warmluftführungsunterteil in Bildtafel 5 als Ersatzteil etwas genauer zu sehen.
In September 1950 finden sich dann die neueren Varianten. Hiervon benötige ich das rechte Warmluftführungsunterteil .
Die ältere Version wird wohl schwierig aufzutreiben sein.Hier würde ich das komplette System benötigen samt Wärmetauschern.
Noch besser wäre dann der komplette Motor.
Gruß
Hans Müller-Daum
das ist schwierig.
Ich kann soweit ich das kenne kein Bild aus unseren Ersatzteilkatalogen herunterladen und hier wieder einstellen.
Im Ersatzteilkatalog von 5.49 ET 418 Kraftstoffbehälter Auspuff Warmluftleitung Bildtafel 10 sind Wärmetauscher und Warmluftführungsunterteil zusammen abgebildet.
In ET 417 Motor ist das Warmluftführungsunterteil in Bildtafel 5 als Ersatzteil etwas genauer zu sehen.
In September 1950 finden sich dann die neueren Varianten. Hiervon benötige ich das rechte Warmluftführungsunterteil .
Die ältere Version wird wohl schwierig aufzutreiben sein.Hier würde ich das komplette System benötigen samt Wärmetauschern.
Noch besser wäre dann der komplette Motor.
Gruß
Hans Müller-Daum
Glückauf aus Duisburg
Hans Müller-Daum
Bitte Anmelden oder Registrieren um der Konversation beizutreten.
- Markus H.
-
- Offline
- Elite Mitglied
-

BFV Mitglied
Weniger
Mehr
- Beiträge: 519
- Dank erhalten: 91
4 Jahre 10 Monate her #4463
von Markus H.
Markus H. antwortete auf Heizungsunterkasten gesucht
Bitte Anmelden oder Registrieren um der Konversation beizutreten.
- Hans Müller-Daum
- Autor
- Abwesend
- Platinum Mitglied
-

BFV Mitglied
Weniger
Mehr
- Beiträge: 1651
- Dank erhalten: 192
4 Jahre 10 Monate her #4464
von Hans Müller-Daum
Glückauf aus Duisburg
Hans Müller-Daum
Hans Müller-Daum antwortete auf Heizungsunterkasten gesucht
Marc,
du bist wie immer echt klasse.Und wenn jemandem ein kompletter 1950 er Motor oder Verblechung/Anbauteile über den Weg läuft immer an den Hans denken.
Gruß
Hans
du bist wie immer echt klasse.Und wenn jemandem ein kompletter 1950 er Motor oder Verblechung/Anbauteile über den Weg läuft immer an den Hans denken.
Gruß
Hans
Glückauf aus Duisburg
Hans Müller-Daum
Bitte Anmelden oder Registrieren um der Konversation beizutreten.
- Markus H.
-
- Offline
- Elite Mitglied
-

BFV Mitglied
Weniger
Mehr
- Beiträge: 519
- Dank erhalten: 91
4 Jahre 10 Monate her #4465
von Markus H.
Markus H. antwortete auf Heizungsunterkasten gesucht
Bitte Anmelden oder Registrieren um der Konversation beizutreten.
Ladezeit der Seite: 0.368 Sekunden


